4.0199Projecteur de piscine

Pour l'éclairage de piscines de taille moyenne.

Description

  • Indice de protection IP68 – jusqu'à une profondeur de 5 m
  • Indice de protection IP69 - protection contre la haute pression et les températures élevées de l'eau de jet
  • Complet en acier inoxydable 316Ti 1.4571
  • collerette rond en acier inoxydable 316Ti, hauteur 3 mm
  • mode d'opération: courant constant
  • POW-LED blanc froid, blanc chaud, blanc neutre
  • POW-LED bleu royal
  • Multichip POW-LED RVB
  • mode d'opération: tension constant
  • Multichip POW-LED RVB-B
  • Halogène QR-CB51 ES 12 V-AC
  • Diffusion de la lumière à symétrie de rotation
  • Bloc d‘alimentation en courant continu/contrôleur RVB/transformateur commander séparément
  • Boîtier d‘encastrement en acier inoxydable 316Ti avec gaine de protection pour câble de 1,5 m
  • 3m de câbles immergeable inclu

Remarques/Options

  • version eau SALÈE - Projecteur 4.0299.73
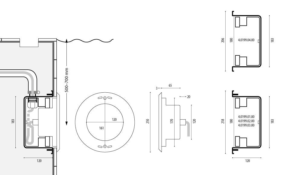
  • Sélectionner le boîtier d‘encastrement adapté selon le type et la situation de montage.
  • Pour béton restant apparent utiliser boitier 4.0199.04.00
  • POW-LED avec angle de diffusion spot 10°, medium 30° et wide 45° sur demande
  • POW-LED monochrome uni vert, rouge, ambre, turquoise, capribleu
  • Ampoules halogènes OR-CB51 avec différents angles de diffusion disponibles
  • Version sans paneau diffuseur pour RGB-W

Accessoires / Boîtier

50.4.00109.138

  • disque de verre, satiné
  • pour une diffusion plus douce de la lumière (perte de lumière env. -15 %)

9.0199.20.00

  • plaque adpatrice
  • pour l’adaptation à la série 4.0199 avec boîtier d’encastrement déjà existanten, inox 316Ti, rond, ø 300 mm

4.0199.01.00

  • Boîtier d’encastrement
  • en acier inoxydable V4A avec gaine de protection du câble de 1,5 m et embouts d‘extrémité M20 en plastique, pour le montage dans les bassins en béton carrelé

4.0199.02.00

  • Boîtier d’encastrement
  • en acier inoxydable V4A avec gaine de protection du câble de 1,5 m et embouts d‘extrémité M20 en plastique, pour le montage dans des bassins à parois fines et bassins avec liner (flasque de pression ø 218 mm)

4.0199.03.00

  • Boîtier d’encastrement
  • en acier inoxydable V4A avec gaine de protection du câble de 1,5 m et embouts d‘extrémité M20 enplastique, pour le montage dans les bassins à revêtement collé/liner (flasque de collage ø 360 mm)

4.0199.04.00

  • Boîtier d’encastrement
  • en acier inoxydable V4A avec gaine de protection du câble de 1,5 m et embouts d‘extrémité M20 enplastique, pour béton restant apparent et le soudage dans les bassins en acier inoxydable
Numéro d’article Source Lumen Couleur K° Puissance Courant/Tension Angle de rayon UW-Câble, installe
Versions: subaquatique uniquement
POW-LED monochrome
4.0199.00.11 15 POW-LED 3450 lm 6000K cold white total 42 W 120° flood UW, 2x2,5 qmm
4.0199.00.12 15 POW-LED 2850 lm 3000K warm white total 42 W 120° flood UW, 2x2,5 qmm
4.0199.00.13 15 POW-LED 3225 lm 4500K neutral white total 42 W 120° flood UW, 2x2,5 qmm
4.0199.00.16 15 POW-LED 650 mW/LED royal blue total 42 W 120° flood UW, 2x2,5 qmm
POW-LED RGB
4.0199.00.19 9 Multichip POW-LED RGB all on 85 W 120° flood UW, 6x1,0 + 2x0,5 qmm
POW-LED RGB-W - 25° mix lentilles
4.0199.01.41 6 Multichip POW-LED coldwhite: 1590 lm RGB-CW cold white 6000K all on 60 W 25° medium spot UW, 2x2,5 + 4x0,5 qmm
4.0199.01.42 6 Multichip POW-LED warmwhite: 1220 lm RGB-WW warm white 3000K all on 60 W 25° medium spot UW, 2x2,5 + 4x0,5 qmm
4.0199.01.43 6 Multichip POW-LED neutralwhite: 1390 lm RGB-NW neutral white 4500K all on 60 W 25° medium spot UW, 2x2,5 + 4x0,5 qmm
4.0199.01.44 6 Multichip POW-LED RGB amber all on 60 W 25° medium spot UW, 2x2,5 + 4x0,5 qmm
POW-LED RGB-W - diffus - Paneau diffuseur
4.0199.00.41 6 Multichip POW-LED coldwhite: 1590 lm RGB-CW cold white 6000K all on 60 W diffus UW, 2x2,5 + 4x0,5 qmm
4.0199.00.42 6 Multichip POW-LED warmwhite: 1220 lm RGB-WW warm white 3000K all on 60 W diffus UW, 2x2,5 + 4x0,5 qmm
4.0199.00.43 6 Multichip POW-LED neutralwhite: 1390 lm RGB-NW neutral white 4500K all on 60 W diffus UW, 2x2,5 + 4x0,5 qmm
4.0199.00.44 6 Multichip POW-LED RGB amber all on 60 W diffus UW, 2x2,5 + 4x0,5 qmm
halogene
4.0199.00.15 3 x QR-CBC51 ES 50 W 8.600cd 3000K 150W 36° UW, 2x2,5 qmm

Datenschutzeinstellungen

Unsere Website verwendet Cookies, um dem Betrieb sowie die Sicherheit unserer Website sicherzustellen. Weiter werden Cookies genutzt um Inhalte zu personalisieren, Funktionen für soziale Medien anbieten zu können und die Zugriffe auf unsere Website zu analysieren. Außerdem geben wir Informationen zu Ihrer Verwendung unserer Website an unsere Partner für soziale Medien, Werbung und Analysen weiter. Unsere Partner führen diese Informationen möglicherweise mit weiteren Daten zusammen, die Sie ihnen bereitgestellt haben oder die sie im Rahmen Ihrer Nutzung der Dienste gesammelt haben. Weitere Details zu den eingesetzten Cookies finden Sie in unserer Datenschutzerklärung.

Übermittlung von Daten in die USA.
Wenn Sie den Button "Alle akzeptieren" anklicken stimmen Sie lt. Art. 49 (1) lit. a DSGVO ausdrücklich einer möglichen Verarbeitung der auf dieser Website erhobenen Daten in den USA zu.
Bei einigen der verwendeten Dienste wie Google-Analytics besteht die Möglichkeit das Daten in die USA übertragen und durch US-Behörden verarbeitet werden können. Die USA gelten nach aktueller Rechtslage als unsicheres Drittland mit unzureichendem Datenschutzniveau, in welchem die europäischen Datenschutzstandards nicht sichergestellt werden können.

Datenschutzerklärung | Impressum

Standard

Tools, die wesentliche Services und Funktionen ermöglichen, einschließlich Identitätsprüfung, Servicekontinuität und Standortsicherheit. Diese Option kann nicht abgelehnt werden.

Analytik

Tools, die anonyme Daten über Website-Nutzung und -Funktionalität sammeln. Wir nutzen die Erkenntnisse, um unsere Produkte, Dienstleistungen und das Benutzererlebnis zu verbessern.